Traco Power TSR 3N - A Drop-in Replacement for Three-terminal Linear Regulators

Three-terminal regulators, such as the LM78xx family, are a classic choice due to their ease of deployment and the availability of a wide variety of output voltages. With the TSR 3N, Traco Power strives to launch a compatible component that offers higher efficiency.
Linear regulators, such as the LM7805 or the LM7812, achieve their simplicity through their design: a bypass transistor converts excess voltage into heat. In the TSR 3N series, Traco Power uses its well-known switching regulator technology. This allows the voltage regulators to achieve efficiency levels above 85%. The table provides an overview of the various SKUs and their corresponding efficiency ratios.

TO-220 Compatible Regulator Design
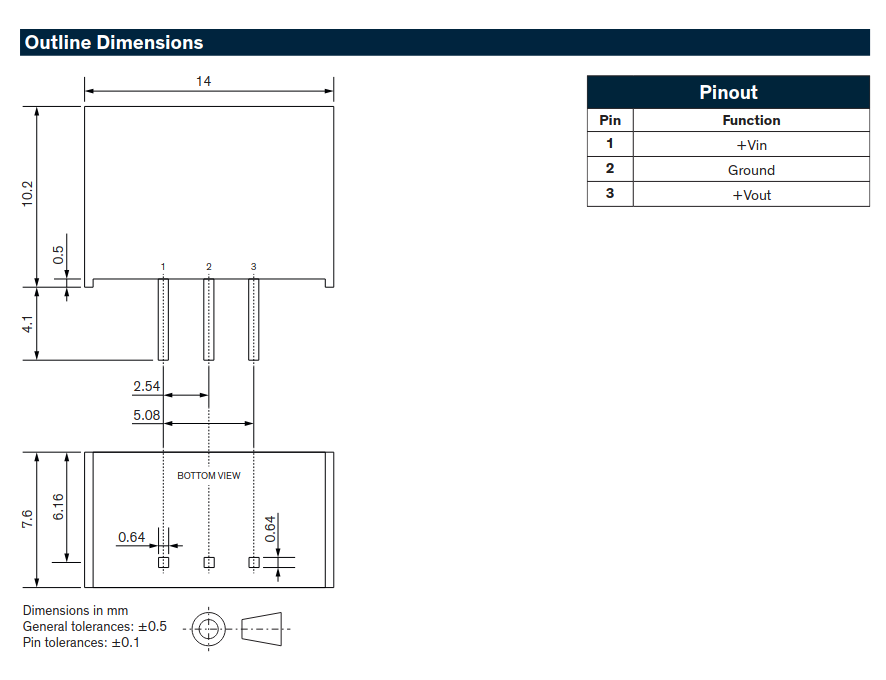
The TSR 3N family comes in a SIP3 package with dimensions of 14 x 7.6 x 10.2 mm. One interesting aspect of the pinout is compatibility with the above-mentioned linear regulators -- the figure below shows that the component has the same pin assignment. With mechanical clearances present, the component can be used as a plug-in replacement for the existing integrated circuit.

All of the well-liked protection features of the linear regulator families are also available on the SMPS version. The rated output current of 3A provides sufficient headroom for driving powerful integrated circuits. At the same time, the short-circuit protection ensures that the regulator does not get damaged if issues occur on the secondary side. Furthermore, the components do not require a minimal load for stable regulation.
Finally, the regulators boast of a wide range of standards. They are designed in accordance with the rules for IEC/EN/UL 62368-1 voltage regulators and comply with both EMI and EMS standards. If higher quietness is required, Traco provides a wide array of output filters tailored to the needs of the regulators.
Excellent Voltage Stability and a Wide Array of Voltage Options
Traco specifies the ambient temperature range as --40°C to +90°C and promises a voltage regulation accuracy of ±2% maximum. Designers can then select from a wide variety of output voltages -- for example, the SKU TSR 3-2418N yields a component with an output voltage of 1.8V. A 5V-capable version can be obtained via the SKU TSR 3-2450N, while the 12V version can be purchased via the SKU TSR 3-24120N. Finally, the top-of-the-line model provides 15V, while the smallest model can provide a nominal output voltage of 1.2V DC.
Conclusion
If a linear regulator-based design requires higher efficiency or lower heat dissipation, the Traco Power TSR 3N family provides a plug-in replacement. Thanks to its compact design and compatible pinout, the upgrade can often be performed without any changes to the application PCB -- in short, a highly versatile component that cannot be praised enough.