Broadcom ACPL-K378 - An Optocoupler With Input Limiting And Hysteresis

Optocouplers provide galvanic insulation, thereby permitting control without an electrical connection. With the ACPL-K378, Broadcom adds additional intelligence, enabling maximum flexibility in application circuit design.
In principle, optocouplers work by combining an LED and a phototransistor in a housing. The input signal modulates the LED brightness, whose light signal then transmits across the insulation barrier. As an example, the image (taken from https://www.richis-lab.de/Opto01.htm) shows the internal construction.

For the ACPL-K378, the LED driver circuit includes a few additional features.

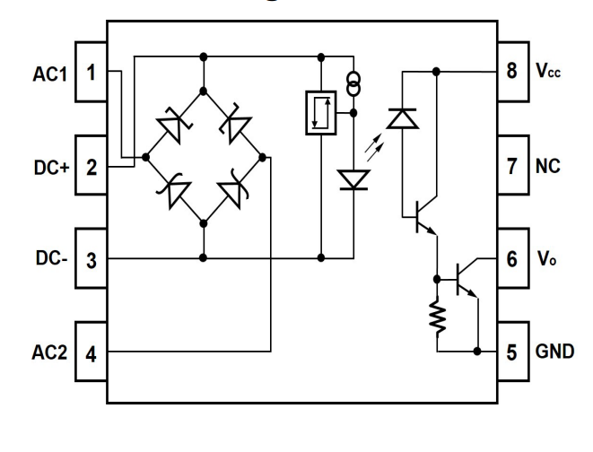
Grätz Bridge Input for Clamping and Flexibility
Light-emitting diodes are expected to be driven by direct current. In the case of the ACPL-K378, Broadcom addresses the issue by placing a bridge rectifier in front of the LED. This way, the component can be used as an AC-driven optocoupler: in practice, this leads to a significant reduction in total ownership cost as an external rectifying component can be omitted from the printed circuit board.
The Grätz bridge can also be used to implement input limitation. That way, the ACPL-K378 can clamp incoming voltages, thereby improving stability. Finally, the LED driver includes protective circuits and hysteresis. This means the Broadcom ACPL-K378 is practically indestructible.
Open Collector Output for Flexible Logic-Level Matching.
The optocoupler can be connected to a variety of logic families, with the data sheet naming compatibility with CMOS and TTL systems. In particular, Broadcom promises the following capabilities:
The ACPL-K378's input buffer IC has a nominal turn-on threshold of 1.3 mA (ITH+) and 3.8V (VTH+).
The high-gain output stage features an open-collector output that provides both TTL-compatible saturation voltages and CMOS-compatible breakdown voltages. In terms of output supply voltages, Broadcom can cover the range of 2V to 18V.
Certification Included
If an optocoupler must be used in a security-sensitive application, a pre-certified component significantly reduces the system\'s total cost of ownership. In case of the ACPL-K378, the data sheet claims compliance with the following standards:
Safety and regulatory approval:
- UL 1577 recognized: 5000 Vrms for 1 minute
- CSA approval
- IEC/EN/DIN EN 60747-5-5 approval for reinforced insulation
Regarding the isolation voltage, the component has a one-minute resistance of up to 5000 V.
Conclusion
Designers seeking a highly reliable optocoupler with a variety of value-added features need to look no further than the Broadcom ACPL-K378. It is a highly flexible and dependable component that enables the addition of galvanic insulation with minimal effort.